To transmit the outputs status to the tracking platform, you must tick the corresponding parameter in the protocol settings.

To control the output by command, you must set up the selected output (O2 is shown in the example):
| Setting | Value |
|---|---|
| Use as | general purpose |
| Nature of the signal | Continious |
| Safe blocking | Off |
| Delay before line activation | 0 sec |

Safe blocking - if the parameter is ticked, then by command Activate, the corresponding output is activated only if the speed from the navigation receiver is less than 20 km/h.
If the navigation data is not reliable, then the speed is taken equal to 0 km/h.
That is, if navigation is lost while driving, the current speed will be set to 0 and blocking can be performed.
Command to activate the output is stored by the device until its execution or device first reboot.
Delay before line activation - if the parameter value is 0, then the output is activated immediately after receiving the Activate command, otherwise the output is activated only after the specified time period.
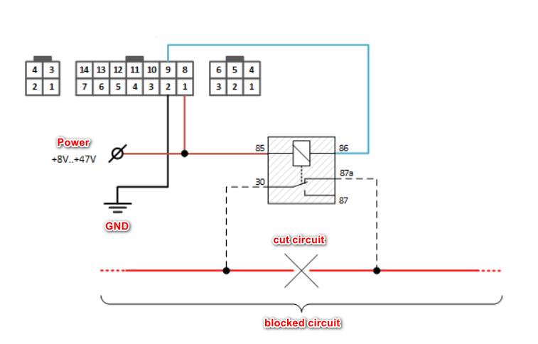
When output triggers, GND appears on it.
When switched off, GND disappears on the outputs (ouput is in Z-state).


Status of the outputs is controlled by commands. Output control command allows to activate or disactivate one or more outputs at the same time.
*!SETOUT<s><num><new_state>,<num><new_state>...<s> - parameter separator - space<num> - number of the output to be changed. Numbering starts with 1.<new_state> - output state to be set:Command allows to set the state of several outputs at the same time. The state of the outputs whose numbers are not specified in the command does not change.
*!SETOUT 2Y
*@SETOUT<s><result>,<num><cur_state>,<num><cur_state>...<s> - parameter separator - space<result> - command processing result :<num> - number of the output to be changed. Numbering starts with 1.<cur_state> - current state of the output:*@SETOUT OK,2Y
To check the command operation, you can use the Telemetry window of the Configurator.
